中文

森松生命科技

聚焦行业前沿,
展现实时动态
基于某OEB5等级药厂暖通设计研究分析
发布时间:2023-05-23 09:18:15

摘要

通过分析OEB5等级药品车间对生产环境的要求,针对目前国内某夏热冬冷地区的高毒性药品车间的暖通空调设计中需要考虑的空调分区、压差控制、臭氧消毒的设置、无菌隔离器排风及房间排风要求等设计要点进行总结。

关键词:高活性;OEB5等级;暖通设计;无菌隔离器;洁净空调

Abstract:Based on the analysis of the requirements of OEB5 grade pharmaceutical factory on the production environment, the design essentials of HVAC division, differential pressure control, ozone disinfection setting, aseptic isolator exhaust and room exhaust requirements in HVAC design of a highly toxic drug workshop in a hot summer and cold winter area in China were summarized.

Keywords:high active;OEB5 grade;HVAC design;sterile isolator; clean air conditioning

1. OEB5等级介绍

职业接触限制(occupational exposure limit,OEL)是描述某种污染物的最大空气悬浮粒子浓度,在该浓度下所有工人在职业活动中长期反复接触,不会使绝大多数接触者的健康有害,属于定量确定其危害性。

职业接触级别(occupational exposure band,OEB)是用于将制药化合物按危险级别划分而不是归纳为某一具体的数字限定值,属于定性确定其危害性,主要基于如下因素:

1、活性

2、药理作用

3、 副作用/毒理作用

4、 将OEL数值包括在这些类别中

(如类别1至类别4或5,活性由低向高增加)

OEB5通常对应OEL的范围是小于1μg/m3 ,并具有极毒或极度高的药理活性。

对于含有OEB5级API的产品生产线,应采用全程密闭化设备设施,涉及职业接触应选用负压隔离器、手套箱密闭操作、密闭传输接口(如分体式蝶阀)、袋进袋出过滤装置、独立的空气净化系统等控制措施,严格控制其人流及物流、入口、气锁间、房间的压力梯度控制、车间的维护及清洁等。

2. 设计概况

2.1 工程概况

建筑位于夏热冬冷地区,性质为丙类医药工程设计,耐火等级为二级。其有两条线生产,微球制备线和微球灌装线。

2.2 生产工序环境控制要求

其主要生产环节在无菌隔离器及负压隔离器里面,采用隔离器操作技术来保护核心操作区,对进入隔离器的空气都需要经过袋进袋出式过滤器过滤,操作人员完全被隔离在外,其对核心工艺过程的干预操作可通过手套和手套袖管来进行,进出隔离操作器的物料和工器具均需通过灭菌转运装置[1]

生产所需的工艺温湿度要求由隔离器空调维持,隔离器采用有源性隔离器,隔离器自带空气处理系统,其具有较好的环境隔离性,对生产区的暖通空调系统要求较低,隔离器里面的洁净等级为A级,两条线的背景环境洁净等级都设置为C级,背景环境温湿度要求根据规范设置,具体要求为:温度20~24℃;相对湿度45~60%。

3. 空调分区

一方面需根据房间类型确定其风险等级,高风险房间、低风险房间、无风险房间可分设空调区域[2]

无风险房间是无高活性、高毒性、高致敏性物质使用或存储的房间,其房间整体面积较小,且如换鞋更衣等房间还要求全排。如无风险区域分别单独设空调,则会增加空调设备、风管及其附件材料、袋进袋出过滤器等,增加其建设成本;利用其回风达到节能的效果不明显,当房间出现瞬间失压的情况时,有毒物质有可能会渗透到无风险房间,对工作人员的健康造成潜在危害。

另一方面根据其生产产能等要求,计划生产排班表,不同的排班时间分设空调区域,方便进行生产调节。

综上所述,考虑将两条线分别单独设置空调区域。

4. 压差控制策略

4.1 压差控制要求

1、确认其核心区,在核心区内,产品如发生泄露,则会对周围环境产生影响,应将核心生产区设置为相对周围房间保持相对负压;

2、对于物料清洗,工衣清洗等产尘,产蒸汽较多的房间,需设置为相对周围房间保持相对负压;

3、人员退出通道及废弃物退出房间,如退更及废弃物退出房间,存在高活性物质暴露或泄露的风险,应将其设置为相对室外大气保持相对负压;

4、人员及物料进入通道的气锁无高活性物质,以免将室外的灰尘及微生物带入洁净室,则设置正压气锁;人员退出通道的气锁,由于退更房间设置为相对室外大气保持相对负压,退出气锁房间也设置为正压气锁;

5、气锁室(人员或物流穿过气锁室)两边的房间洁净等级不一样,则气锁室两边的房间的压差,应为10Pa。洁净室与气锁室之间的压差无需达到10Pa[1]

基于以上几点控制要求,典型房间的压差设置见表1:

MicrosoftTeams-image (76).png

4.2 压差控制手段

对空调机组的风机及排风机进行变频,风机变频器根据送风及排风总管上的静压传感器对风机的电机进行调速。

房间送风末端设置定风量阀保证恒定送风量,排风末端使用变风量阀调节室内压差,形成稳定的压差风量,从而控制房间的压差稳定。定风量阀采用双位控制,有两个风量,一个是正常运行状态下的风量,一个是消毒模式下的风量,在消毒模式下也需维持房间的负压/正压状态。

同时在定风量阀与变风量阀的支路上配套使用手动调节阀,当压力超出设计范围时,可用手动调节阀辅助调节压力。

技术夹层设置一个0压环路,各房间压力控制均连接至此环路,以保证此功能单元各房间基准压力相同。

房间压差控制图见图1:

MicrosoftTeams-image (75).png

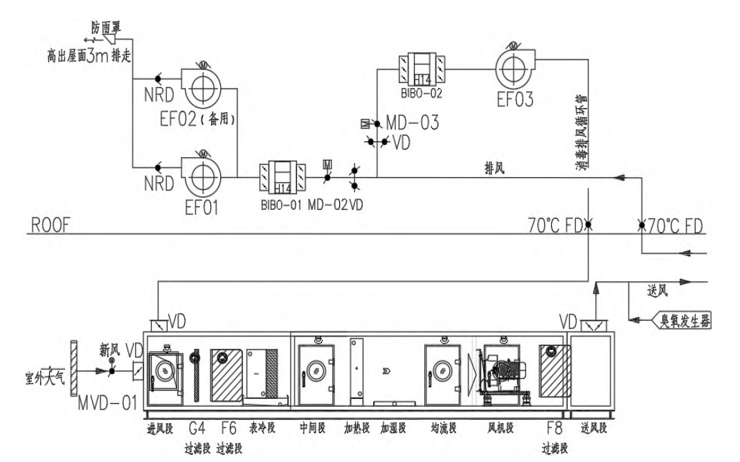
5. 空调系统

高活性、高毒性药品对人员伤害很大,房间的排风需全部排走,不允许回到空调系统里面,故其空调采用直流式全新风空气系统。

由于其是全新风空调系统,无回风管道,故需要单独设置一个消毒模式下的空气循环支路,设计思路是在排风总管上面接一分支路,支路后配一个袋进袋出式高效过滤器,一个循环风机,此循环风机只在消毒模式的时候启动,平时关闭。

直流式全新风空调系统流程图见图2:

MicrosoftTeams-image (74).png

6. 过滤策略

送风系统采用初效、中效、高效三级过滤。

无菌隔离器的设备进风与排风口需要设置袋进袋出高效过滤器。

鉴于房间的核心生产区的工艺在隔离器里面,排风系统中排风口设置过滤网过滤,排风管负压段设置袋进袋出过滤器。排风口的过滤器是否需要使用袋进袋出过滤装置的设置需根据具体工艺要求。更换过滤器前需进行消毒,防止有毒有害物质污染空气及保护操作者的安全性。

袋进袋出式高效过滤器采用双级高效,如果第一级高效过滤出现泄露,第二级高效可进行拦截,起到双重保护的作用,保证末端排放的安全性,减小因高效过滤器泄露引起的周围环境污染的风险[3],但采用双级高效会增加风机的压头,具体是否需要采用双级高效需根据工艺要求评估。袋进袋出过滤装置需配备球阀或者蝶阀的消毒进出口,以及快速连接外部的消毒快卡接头。袋进袋出过滤装置设备两端需安装可打开关闭的生物密闭阀,使消毒时整个腔体处于密闭状态[4]

7. 排风策略

7.1 设备排风

设备排风需根据设备厂家提供的排风量,排风形式设计。设备的排风系统不能与房间排风系统合并在一起,设备的每台送排风系统需独立。

设备排风的排风温度较高,有的还需要排湿空气,其排风管通常使用不锈钢板材质。

7.2 房间排风

对于产生高温高湿气体房间的排风,采用房间上排风,有设备排风的房间同时需设置并联的管路排风,便于平衡房间的压差。对于容易产生冷凝水的排风,需设置泄水管。

为提高空调系统的安全性,稳定性,排放高活性,高毒性的排风系统风机需采用一用一备,排放至室外安全场所,同时排风管有效高度应足够大,排至建筑物空气动力阴影区和正压区外,满足相关规范排放高度要求,并保证排气有效扩散,以免排气返回进气口或排到屋顶。排风机在消毒模式时,需按照消毒风量变频运行。

8. 结语

综上所述,对于高活性的OEB5等级要求的药厂暖通空调的设计,主要控制其核心工作区在密闭空间里面,采用无菌隔离器,负压隔离器等设备,以及隔离器内环境的温湿度、相对压力的控制,进而控制其高活性物质泄露的风险;对于辅助用房及隔离器背景环境里面需要控制其压差稳定,合理设计其相对压力值;排风系统根据工艺要求的合理设置;合理设计整个系统的高效过滤设置的位置及过滤策略。

参考文献:

[1] 张爱萍,孙咸泽.药品GMP指南 厂房设施与指南[M].北京:中国医药科技出版社,2011:374-375,383-386

[2] 邱济夫.高活性、高毒性、高致敏性药品生产净化空调设计若干问题的探讨[J].暖通空调,2021,51(4):95-99

[3] 金仁良,张爱健,王明丽等. 袋进袋出设备的设计[J].洁净与空调技术,2021(4):97-101

[4] 金仁良,张爱健,王明丽等. 袋进袋出过滤装置的消毒[J].洁净与空调技术,2022(1):115-119

[5][2022-04-26]. https://ishare.iask.sina.com.cn/f/1N2Aw3lyWaJ.html

(本文由森松武汉分公司和森松法玛度联合提供)

关于森松生命科技

森松生命科技是森松国际控股有限公司(森松国际,股票代码:2155.HK)的重要业务板块之一,主要由上海森松制药设备工程有限公司、森松(苏州)生命科技有限公司、上海森松生物科技有限公司、上海森众生物技术有限公司、上海森纮科技有限公司和森松法玛度等公司及其附属公司组成。

我们专注于提供制药、生物制药、医美、快速消费品(含化妆品、食品、保健品等)、数据中心等领域的核心设备、工艺系统和数智化整体工厂解决方案及相应服务。 公司拥有一支由工艺研发、工程设计、高端制造、验证咨询、生产执行、数智运维等多领域资深专家的精英团队。团队成员在制药、生物制药、医美、快消、数据中心等行业和领域拥有丰富的经验,熟悉不同产品的特性及工艺流程,能够针对客户的需求,从概念设计阶段起提供定制化的工艺解决方案,满足客户的个性化需求。

森松生命科技已构建起全球战略布局,在全球不同国家和地区建立先进研发、设计中心和制造基地的同时,形成了覆盖欧美、亚太及新兴市场的完善服务网络。公司国际化专业团队已成功为40多个国家和地区提供定制化解决方案,在全球项目执行方面积累了丰富经验。

作为掌握核心工艺技术、模块化建造及数智化工厂技术的跨国企业,森松生命科技致力于满足全球制药、生物制药、医美、快消、数据中心等行业和领域对生产装备的需求。公司通过不断创新和优化,助力国内企业加速实现核心和高端装备的国产替代战略布局,推动行业发展。同时,公司积极拓展海外市场,深化“全球化”业务开拓战略,为全球生命科学及相关行业贡献森松力量。


前瞻性声明

本新闻稿所发布的信息中可能会包含某些前瞻性表述。这些表述本质上具有相当风险和不确定性。在使用“预期”、“相信”、“预测”、“期望”、“打算”及其他类似词语进行表述时,凡与本公司有关的,目的均是要指明其属前瞻性表述。本公司并无义务不断地更新这些预测性陈述。

这些前瞻性表述乃基于本公司管理层在做出表述时对未来事务的现有看法、假设、期望、估计、预测和理解。这些表述并非对未来发展的保证,会受到风险、不确性及其他因素的影响,有些乃超出本公司的控制范围,难以预计。因此,受我们的业务、竞争环境、政治、经济、法律和社会情况的未来变化及发展的影响,实际结果可能会与前瞻性表述所含资料有较大差别。